Mikäs on kuvassa

Valvoja: Yllapito

Re: Mikäs on kuvassa

ViestiKirjoittaja mika_r » 11.10.2021 21:37

onhan parafiiniakin ehdoteltu esim. https://www.sciencedirect.com/science/a ... 2719300060

pitäisi vaan olla iso parafiinisäiliö ja varmistua ettei parafiini ei syty palamaan, eli ei toimi varaavassa kivipatterissa
mika_r
 
Viestit: 11
Liittynyt: 02.01.2021 10:54

Re: Mikäs on kuvassa

ViestiKirjoittaja mika_r » 21.10.2021 22:27

mitä mieltä foorumi on hiekka-akusta

https://yle.fi/uutiset/3-12151803
mika_r
 
Viestit: 11
Liittynyt: 02.01.2021 10:54

Re: Mikäs on kuvassa

ViestiKirjoittaja siviili2003 » 25.10.2021 10:09

Ikiliikkuja on ilmeisesti keksitty jälleen kerran, periaate muistuttaa aivan liiankin paljon erästä 1980 luvun kehitelmää jolla vedestä tehtiin höyryä yksinkertaisesti antamalla veden pomppia hydrosoonisesti jossain kuopilla varustetussa metallirummussa:

https://www.tekniikkatalous.fi/uutiset/ ... f6159fb5a6

Energiansäästö 30 %, markkinat 30 miljardia: Suomalaisyhtiön höyrykrakkeri voi mullistaa koko maailman.

Ihme kun Samuli Penttinen ei vienyt vastaavaa kehitelmäänsä tuotantoasteelle tuossa vuosia sitten (sastamalassa) vaikka kertoi Jussilan rahoittaneen projektia???

niin ellei öljy-yhtiöt jälleen osta tämänkin keksinnön jonnekkin kassakaappiin homehtumaan.... saapa nähä
Avatar
siviili2003
 
Viestit: 2987
Liittynyt: 16.09.2009 20:08

Re: Mikäs on kuvassa

ViestiKirjoittaja siviili2003 » 25.10.2021 10:23

mika_r kirjoitti:mitä mieltä foorumi on hiekka-akusta

https://yle.fi/uutiset/3-12151803


Joo tää on tätä. pyörä keksitään uudestaan, mutta ongelmana on ettei saada RAUTAA ;)
Avatar
siviili2003
 
Viestit: 2987
Liittynyt: 16.09.2009 20:08

Re: Mikäs on kuvassa

ViestiKirjoittaja siviili2003 » 06.05.2022 21:25

Avatar
siviili2003
 
Viestit: 2987
Liittynyt: 16.09.2009 20:08

Re: Mikäs on kuvassa

ViestiKirjoittaja siviili2003 » 08.02.2024 14:41

löysin vuoden 1920 toukokuun electrical experimenter lehden toukokuun numerosta mielenkiintoisen pikku yksityiskohdan, Suomi mainittu erikoisessa yhteydessä.


Kuva
Avatar
siviili2003
 
Viestit: 2987
Liittynyt: 16.09.2009 20:08

Re: Mikäs on kuvassa

ViestiKirjoittaja siviili2003 » 26.02.2024 14:47

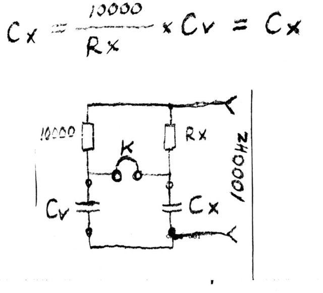
Kuvassa eräs elektroniikan peruskytkentä, wheatstonen mittaus siltakytkentä kondensaattorien kapasitanssiarvon laskemiseksi.

Komponentti Cv:n arvo kun tiedetään, niin siihen vertaamalla komponentti Cx:ää, siten että virtapiiriin kuuluu kiinteänä vastuskomponentti 10000 ohmia, ja säädettävä vastuskomponentti Rx

virtapiiriin kuuluu komponentti K niinkuin kuuloke, joka olisi suotavaa olla vähintään 1600 ohmia, tai ns.kidekuuloke yhteen korvaan.

Virtapiiriin syötetään tehoa 1000 hertsin taajuudella, tai millä taajuudella nyt kukakin tahtoo kuulokkeesta ääntä kuunnella, syötetty taajuus ei vaikuta mittaustulokseen.

virtapiiriin siis liitetään tutkittava kondensaattori Cx ja vertailukondensaattori Cv, kuulokkeista kuuluu oletettavasti tuo 1000 hertsin taajuus, tällöin
säätövastus Rx arvoa muutetaan välillä 100 ohmia - 100000 ohmia, jollain kohdalla kuulokkeen ääni loppuu, ja jos rx arvoa edelleen suurennetaan ääni alkaa uudelleen.

palautetaan Rx arvo sellaiseen kohtaan jossa ääni lakkaa kuulumasta, mitataan vastusmittarilla Rx:n vastusarvo.

oletetaan nyt vaikka että kondensaattori Cv:n arvo on esim 100nF ja Rx mitattu arvo on 55000 ohmia, niin alla olevan kuvaliitteen laskentakaavan mukaan Cx: arvoksi muodostuu 18.18 nanofaradia


Kuva


ohops, kuvaan on tullut tehtyä yksi ylimääräinen kompastus laskukaavaan, jokainen laskentataitoinen kyllä huomaa mikä se on. :o (152099
Avatar
siviili2003
 
Viestit: 2987
Liittynyt: 16.09.2009 20:08

Re: Mikäs on kuvassa

ViestiKirjoittaja tesla » 09.03.2024 14:18

Erittäin arvostettavaa tämmöiset elektroniikan salaisuudet ajalta jolloin vielä ei ollut elektronikkaa edes juuri olemassa.
En huomannut missä joku virhe oli laskukaavassa mutta eihän moukkien tarvitse niitä nähdä.Kiitän toistamiseen -nyt ymmärrän mikä konkka oikeasti on!
tesla
 
Viestit: 687
Liittynyt: 05.11.2013 08:40

Re: Mikäs on kuvassa

ViestiKirjoittaja siviili2003 » 11.04.2024 14:29

siviili2003 kirjoitti:Kuva


Ja kirja halvalla: https://www.adlibris.com/fi/kirja/nikol ... 1105489846



# Keelynet UFO6.ZIP on käytetty lähdeaineistona, lieneekö vielä ilman lupaa??

no just joo, nyt menin tosi hujaukseen, tilasin tämän kirjan, ja ilmeni että kirjan sisällöstä yli puolet on sontaa,toinen puolet on harvakseltaan huonoresoluutioisia kuvia, joita löytyy gooklen kuvahaullakin, kirjassa on 20 sivula tekstiä pienellä fontilla enintään 15 riviä kussakin, Bill Jones niminen on kusettajan pseudonyymi tästä kusetuksesta maksoin vieläpä 19 euroa.
:x :x


((153016
Avatar
siviili2003
 
Viestit: 2987
Liittynyt: 16.09.2009 20:08

Re: Mikäs on kuvassa

ViestiKirjoittaja tesla » 15.04.2024 21:04

Ystävältäni vähän oppia. Tämä sotilastiedemies on ollut aina aikaansa edellä, eikä jää perään eikä hännille nytkään!


Suomen kaupungit on siis siirtymäsdä vastahakoisesti, mutta varmasti hyödyntämään halpaa tuulisähköä niin, että tuulisähkön n.2 viikon vaihtelut tasoitetaan lämpöakuilla.

Samaan aikaan olen yrittänyt itse kertoa joillekkin teille, että Glauberin suola pohjaiset lämpöakut olisi teoriassa 60 kertaa parempia energian säilöntä akkuja.
Nimittäin, painoonsa nähden se pystyy varastoimaan yli 60 kertaa enemmän energiaa/kg, ja sen voi turvallisesti lämmittää 400 asteeseen, jolloin yksi kilo sitä vastaa noin 240 kg vettä.

Tämä tarkoittaa pieniä lämpöhävikkejä, tarkkasn ottaen 240 pienempiä.

Tekniikalka päästään siis taluodellisesti veden 2 viikon kannattavan rajan yli heittämällä, rajaksi tulee noin vuosi.

Se siis mahdollistaa kriisiajan ylittämiden. Suola maksaa noin 100 euroa tonni, kun ostaa kokokontillisen.

Toisin sanoen, kun ottaa huomioon rakennuskustannukset, on vesi hyvin kallis vaihtoehto.

Kaupungeissa käytetään haponkestävää terästä vesisäiliöisdä, ja sama materiaali sopii Glauberin suolalle.

#️⃣

Se, mikä on Glauberin suolassa se ylivoimainen asia, on se, että akun ollessa ladattu yli 150 astern, on ahdollista tuottaa sähköä turbiinigeneraattorilla. Siis samalla tekniikalla, mitä toimitaan ydinvoimaloissa, ja hiilivoimaloissa.

Höyrytyrbiinin hyötysuhde on 97%.

Se siis on korkea, ja lauhdelämmön voi vielä käyttää kaukolämpöverkossa.

MIKÄLI kaikkiin suurimpiin kaupunkeihin tulisi lämpöakku tekniikka, niin seuraisi se, että :
1️⃣ KAUKOLÄMMÖN hinta vakiintuisi, koska reguloiva tekniikka pystyy huödyntämään ajoittaista erittäin halpaa tuulisähköä.
2️⃣ Turbiini-lämpöakku tekniikka pystyisi tuottamaan minuuttien viiveellä sähköä, ja jos mitoitus olisi Lämpövrano = 1200 kW/asukas, niin valtakunnan verkon ja tuulivoimaloiden kaaduttua kaikki infra pyörisi ainakin vielä kuukauden ilman mitään häiriöitä.
Tälläinen immuniteetti Itänaapurin uhkaa kohtaan on paitsi tavoitettavissa, niin myös taloudellisesti erittäin kannattavaa.
Samalla ydinvoimaloiden huoltoseisokkejen aiheuttamat sähkön hintapiikit katoaisi, mikä aiheittaisi etenkin sähköautojen kysynnän huimaa kasvua ja uusien latausasemien ilmestymistä myös syrjäseuduille.

Faktaksi jää, että:
1️⃣ Tuulisähkö on halvempaa kuin ydinenergia, tai fossiiliset energiat.
2️⃣ Kun tuulienergia yhdistetään korkealämpö lämpöakkuun saadaan tuulienergia toimimaan ydinvoimalan tavoin, vähäisin huolloin, mutta ydinturman riski loistaa poissaolollaan.

https://en.m.wikipedia.org/wiki/Sodium_sulfate

https://www.chemanalyst.com/Pricing-dat ... phate-1480

Ystävällisin terveisin Juha Heikkinen


Shalom
Jäi hinta/ tonni pois, natrium sulfaatti maksaa alle 100 euroa/1000kg, siis alle 10 cent kilo.
Sitä on kaikkialla, mm pesuaineissa.

Ostopaikkoja yli miljoona. Tuotantoa enemmän kuin Coca Colalla.

https://www.alibaba.com/showroom/price- ... phate.html

On siis kummaa, miksi kaupungit käyttää vettä lämpöakuissa, pelkkä hiekkakin olisi parempi ratkaisu, mutta kalliimpi kuin natriumsulfaatti. Nämä kummatkin mahdollistaa höyryturbiinin käytön lämpöakun yhteydessä, siis hyvin korkean hyötysuhteen teknologian muuttaa lämpöä sähköksi, ja samalla hyödyntää loppu hukkalämpö 100%.

Ystävällisin terveisin Juha Heikkinen
tesla
 
Viestit: 687
Liittynyt: 05.11.2013 08:40

EdellinenSeuraava

Paluu Vapaa keskustelu

Paikallaolijat

Käyttäjiä lukemassa tätä aluetta: Ei rekisteröityneitä käyttäjiä ja 2 vierailijaa

cron